AUDI/VW
PIASTRE DI CHIUSURA VALVOLA EGR PER VW PHAETON TOUAREG CON MOTORI V10 5.0 TDI
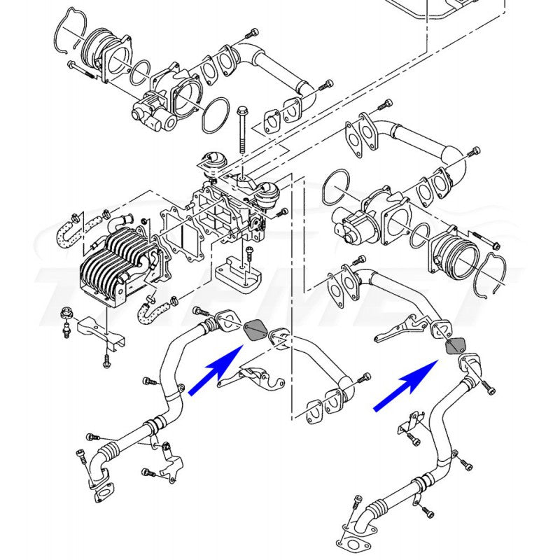
PIASTRE DI CHIUSURA VALVOLA EGR PER VW PHAETON TOUAREG CON MOTORI V10 5.0 TDI
Impossibile caricare la disponibilità di ritiro
Applicazione:
VW PHAETON (3D1, 3D2, 3D3, 3D4, 3D6, 3D7, 3D8, 3D9) 5.0 V10 TDI 4motion, AJS, 230KW / 313CV, 2002/11 - 2006/10
VW TOUAREG (7LA, 7L6, 7L7) 5.0 V10 TDI, 230 KW / 313 CV, BLE, CBWA, 2002/10 - 2010/05
La valvola EGR deve essere mappata nella centralina motore perché può metterlo in modalità di emergenza.
Solo per uso sportivo
Shipping & Returns
Shipping & Returns
SPEDIZIONI A PARTIRE DA €5,90
TURBINE REVISIONATE: Ritiro direttamente dal corriere il giorno stesso della consegna
TURBINE MAGGIORATE: I turbo Maggiorati vengono creati su richiesta, quindi dal momento dell'ordine necessitano 5/15 giorni lavorativi per la spedizione.
Reso del vecchio turbo, verrà ritirato anticipatamente, quando la maggiorazione sarà completata.
Share




